Product Summary
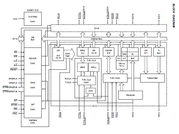
The mPD72001-11 is an MPSC (Multi-Protocol Serial Controller) which is a general-purpose communication LSI equipped with two sets of bidirectional parallel/serial converter circuits for data communication. This controller has a transmitter function to convert the parallel data output by a data terminal into serial data and transmit this data to a data transmission system such as a modem, and a receiver function to convert the serial data output by the data transmission system into parallel data.
Parametrics
Absolute maximum ratings: (1)Supply voltage: –0.5 to +7.0 V; (2)Input voltage: –0.5 to VDD + 0.5 V; (3)Output voltage: –0.5 to VDD + 0.5 V; (4)Operating temperature: –40 to +85 ℃; (5)Storage temperature: –65 to +150 ℃.
Features
Features: (1)Two sets of parallel/serial circuits supporting three modes: start-stop synchronization, character synchronization, and bit synchronization modes: Easy application to a system supporting two or more communication protocols such as a protocol converter or ISDN terminal adapter; (2)DPLL (Digital Phase Locked Loop), baud rate generator, and crystal oscillation circuit for transmission/reception clock: Helps reduce cost by decreasing the number of external circuits; (3)Many variations with power-saving features and small package size: Easy application to portable terminals and high-accuracy portable terminals.
Diagrams

![]() |
![]() UPD70008AG-4 |
![]() Other |
![]() |
![]() Data Sheet |
![]() Negotiable |
|
||||
![]() |
![]() UPD70236AGD-10-5BB |
![]() Other |
![]() |
![]() Data Sheet |
![]() Negotiable |
|
||||
![]() |
![]() UPD7030025AGC-25 |
![]() Other |
![]() |
![]() Data Sheet |
![]() Negotiable |
|
||||
![]() |
![]() UPD703014A |
![]() Other |
![]() |
![]() Data Sheet |
![]() Negotiable |
|
||||
![]() |
![]() UPD703014AY |
![]() Other |
![]() |
![]() Data Sheet |
![]() Negotiable |
|
||||
![]() |
![]() UPD703015A |
![]() Other |
![]() |
![]() Data Sheet |
![]() Negotiable |
|
||||
(China (Mainland))






